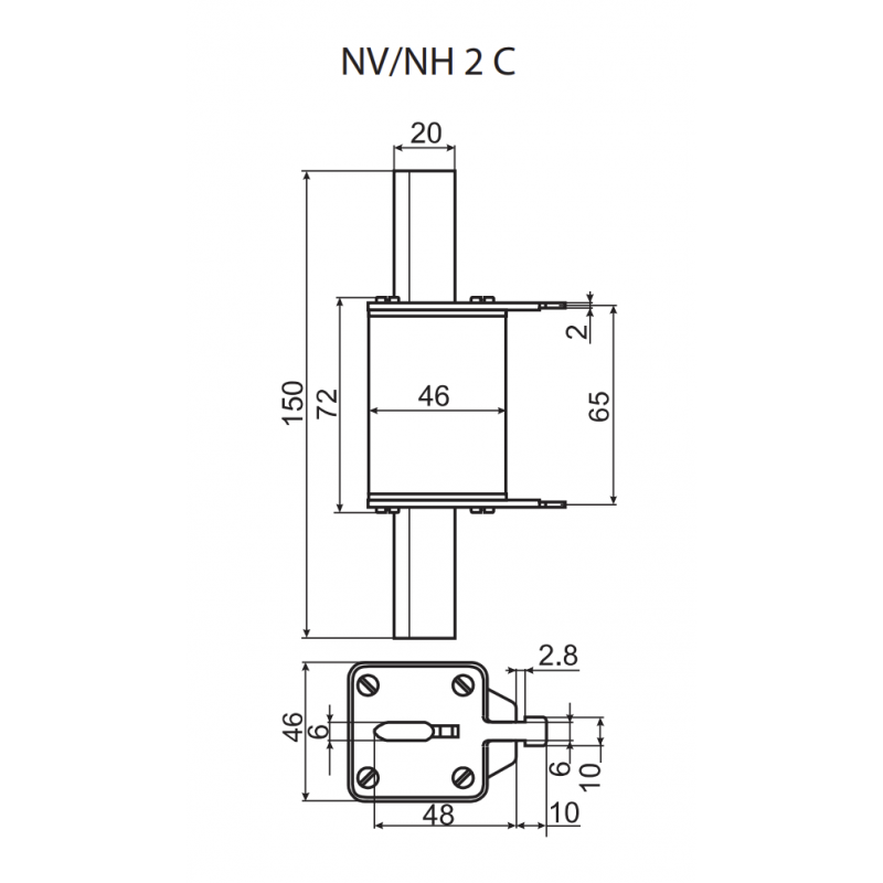
Описание 4185217 - Предохранитель ножевой KOMBI, 200 A, NH-2C, gG, 500 В AC, ETI
Ножевые предохранители NH / NV ETI — техническое описание и применение
Ножевые плавкие предохранители типоразмера NH (NV) производства компании ETI предназначены для надежной защиты электрических цепей от токов короткого замыкания и перегрузок. Широкий ассортимент характеристик позволяет использовать предохранители ETI в промышленности, энергетике, распределительных щитах и силовых установках.
1. Предохранители NH gG (gL), 120 кА, 500 В
Универсальная и наиболее востребованная серия ножевых предохранителей.
Основные характеристики:
Характеристика gG (gL) — полный диапазон защиты от перегрузок и короткого замыкания
Номинальное напряжение: до 500 В AC
Отключающая способность: 120 кА
Область применения:
Распределительные щиты, кабельные линии, вводно-распределительные устройства, жилые и промышленные объекты.
2. Предохранители NH aM, 120 кА, 690 В
Специализированные ножевые предохранители для защиты электродвигателей.
Особенности серии aM:
Частичный диапазон защиты — только от короткого замыкания
Рассчитаны на высокие пусковые токи двигателей
Используются совместно с тепловыми реле для защиты от перегрузок
Технические параметры:
Номинальное напряжение: до 690 В AC
Отключающая способность: 120 кА
Применение:
Силовые цепи электродвигателей, трансформаторов, насосов и оборудования с большими пусковыми токами.
3. Предохранители NH/K с ударником gG, 100 кА, 690 В
Ножевые предохранители с механическим ударником (штоком).
Преимущества:
Встроенный ударник обеспечивает механическую индикацию срабатывания
Возможность подключения микропереключателя для дистанционной сигнализации
Характеристики:
Тип защиты: gG (gL)
Напряжение: до 690 В
Отключающая способность: 100 кА
Применение:
Ответственные электрические узлы, системы автоматизации и щиты, где требуется оперативное оповещение об аварии.
4. Предохранители NH gG, 120 кА, 400 В
Оптимизированная серия для стандартных низковольтных сетей 0,4 кВ.
Ключевые особенности:
Полная защита линий и оборудования
Номинальное напряжение: 400 В AC
Сниженные потери мощности по сравнению с версиями на 500/690 В
Использование:
Промышленные и коммерческие электроустановки, распределительные шкафы.
5. Предохранители NH gTr, 100 кА, 400 В
Специальная серия для защиты силовых трансформаторов.
Отличительные характеристики:
Маркировка в кВА (kVA) — в соответствии с мощностью трансформатора
Допускают кратковременные перегрузки (1,3–1,5 In)
Эффективная защита от короткого замыкания
Номинальное напряжение: 400 В
Применение:
Низковольтная сторона силовых трансформаторов.
Сравнительная таблица характеристик
| Тип предохранителя | Назначение | Напряжение | Отключающая способность |
|---|---|---|---|
| gG (gL) | Кабели, щиты, линии | 400 / 500 В | 120 кА |
| aM | Электродвигатели (КЗ) | 690 В | 120 кА |
| gTr | Силовые трансформаторы | 400 В | 100 кА |
| NH/K | Сигнализация срабатывания | 690 В | 100 кА |
Дополнительная информация
Все ножевые предохранители ETI NH изготавливаются из высококачественных и экологически безопасных материалов (керамический корпус, медные контакты с серебряным покрытием) и полностью соответствуют требованиям IEC 60269.
Основные характеристики 4185217 - Предохранитель ножевой KOMBI, 200 A, NH-2C, gG, 500 В AC, ETI
Отзывы о 4185217 - Предохранитель ножевой KOMBI, 200 A, NH-2C, gG, 500 В AC, ETI
Нет отзывов о данном товаре.
Вопросы и ответы (FAQ) 4185217 - Предохранитель ножевой KOMBI, 200 A, NH-2C, gG, 500 В AC, ETI
