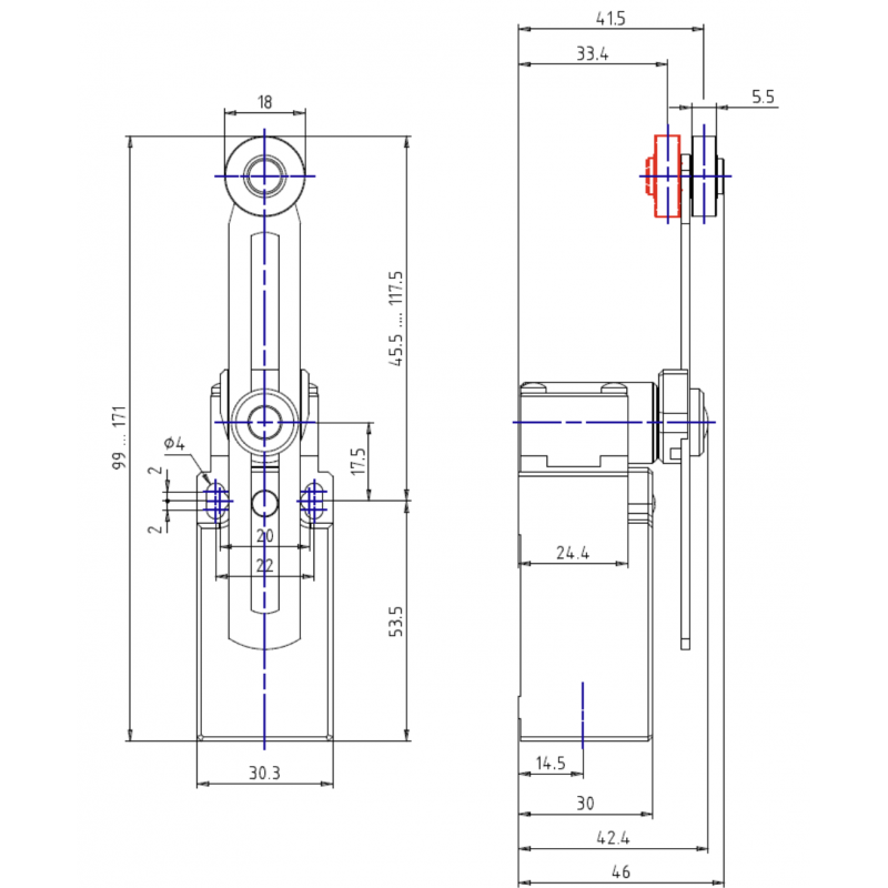
Описание AP1T51Z11 - Концевой выключатель с регулируемым рычагом и роликом, 1NO+1NC (мгновенного действия), IP65, Comepi
Концевые выключатели Comepi — надежные решения для автоматизации и контроля положения
Концевые выключатели Comepi — это высококачественные промышленные компоненты итальянского производства, предназначенные для точного контроля положения подвижных механизмов, обеспечения безопасности и автоматизации технологических процессов. Продукция бренда широко применяется в машиностроении, конвейерных системах, подъемном оборудовании и промышленных установках.
Линейка концевых выключателей Comepi представлена сериями AM, AP, SCM, SM и SP, которые охватывают различные типы конструкций — от компактных пластиковых корпусов до усиленных металлических моделей для тяжелых условий эксплуатации.
Основные серии концевых выключателей Comepi
AP — популярная серия в пластиковом корпусе (термопластик), стандарт 30 мм. Легкая, устойчивая к коррозии, с двойной изоляцией. Отлично подходит для стандартных условий эксплуатации и щитового оборудования.
AM — металлические концевые выключатели (цинковый сплав) с повышенной механической прочностью. Рекомендуются для агрессивных сред и промышленных объектов с высокими нагрузками.
SP — пластиковая серия с увеличенным корпусом (40–50 мм), обеспечивающая удобство подключения кабелей и гибкость монтажа.
SM — усиленная металлическая серия (40–60 мм) для тяжелых условий эксплуатации: подъемные механизмы, краны, тяжелое машиностроение.
SCM — компактные металлические концевые выключатели для ограниченного пространства с высокими требованиями к надежности.
Ключевые характеристики концевых выключателей Comepi
Модульная конструкция — сменные головки (роликовые рычаги, плунжеры, толкатели, гибкие приводы) позволяют адаптировать устройство под любые задачи
Различные типы контактов — мгновенного действия (Snap Action) и медленного действия (Slow Action), конфигурации 1NO+1NC, 2NO, 2NC и др.
Высокая степень защиты — IP65 / IP66 для работы в условиях пыли, влаги и промышленной среды
Сертификация — соответствие международным стандартам CE, UL, CSA
Долговечность — ресурс до 20 миллионов циклов срабатывания
Преимущества концевых выключателей Comepi
✔ Высокая надежность и стабильность работы
✔ Устойчивость к механическим нагрузкам, вибрациям и агрессивным средам
✔ Универсальность монтажа (поворот головки на 90°)
✔ Безопасность благодаря функции принудительного размыкания контактов
✔ Широкий выбор моделей для любых задач автоматизации
Как выбрать концевой выключатель Comepi
Для стандартных условий (конвейеры, автоматика, щиты управления) оптимальным выбором будет серия AP.
Для тяжелых условий эксплуатации и повышенных нагрузок рекомендуется использовать металлические серии AM или SM.
Основные характеристики AP1T51Z11 - Концевой выключатель с регулируемым рычагом и роликом, 1NO+1NC (мгновенного действия), IP65, Comepi
Отзывы о AP1T51Z11 - Концевой выключатель с регулируемым рычагом и роликом, 1NO+1NC (мгновенного действия), IP65, Comepi
Нет отзывов о данном товаре.
Вопросы и ответы (FAQ) AP1T51Z11 - Концевой выключатель с регулируемым рычагом и роликом, 1NO+1NC (мгновенного действия), IP65, Comepi
