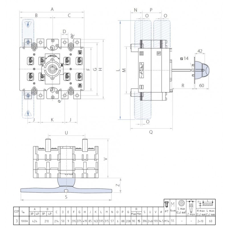
Описание CCF10003PS0 - Переключатель нагрузки CCF/3, 3P Ith-1000 A, Telergon
Переключатели ввода резерва CCF (Changeover Switches)
Переключатели серии CCF — это высоконадежные переключатели ввода резерва и коммутационные аппараты, обеспечивающие высокую коммутационную способность и повышенный уровень электрической изоляции при разъединении цепей. Серия предназначена для применения в распределительных щитах, промышленных установках и системах резервного электроснабжения.
Конструктивные особенности серии CCF
-
Тип конструкции: компактное исполнение.
-
Видимое разъединение: наличие функции Visible cut-off для визуального контроля размыкания цепи.
-
Общий выход: общий контакт расположен на фронтальной стороне.
-
Монтаж: базовый монтаж с креплением винтами (base mounting by screws).
-
Управление: возможность использования прямой или внешней рукоятки управления.
Технические характеристики
-
Стандарт: полное соответствие IEC 60947-3.
-
Материалы корпуса: самозатухающие изоляционные материалы с высокой диэлектрической прочностью и устойчивостью к электромеханическим нагрузкам.
-
Контактная система:
-
самоочищающиеся ножевые контакты;
-
покрытие серебряным сплавом для увеличенного срока службы и стабильного контактного сопротивления.
-
-
Механизм переключения:
-
быстродействующий механизм с фиксатором;
-
накопление пружинной энергии обеспечивает независимое и мгновенное переключение;
-
эффективное гашение электрической дуги при коммутации.
-
Диапазон номинальных токов и полюсов
Переключатели серии CCF доступны в широком диапазоне номинальных токов:
200 A / 250 A / 315 A / 400 A / 500 A / 630 A / 800 A / 1000 A / 1250 A
Исполнения:
-
3P — трехполюсные;
-
3P+N — трехполюсные с нейтралью.
Раннее включение / позднее отключение нейтрали
В версиях 3P+N реализована функция раннего включения и позднего отключения нейтрального проводника:
-
контакт нейтрали замыкается раньше фазных;
-
и размыкается позже при отключении.
Это предотвращает возникновение перенапряжений при коммутации нагрузок, подключенных между фазой и нейтралью, и повышает безопасность эксплуатации.
Специальные исполнения
-
доступны версии без положения «0 – ВЫКЛ» (overlapped execution), предназначенные для непрерывных технологических процессов.
Аксессуары и дополнительные опции
-
Функциональные и эргономичные рукоятки управления,
-
возможность блокировки навесным замком в положении «0 – ВЫКЛ».
-
-
Вспомогательные контакты для сигнализации положения.
-
Дополнительные аксессуары для расширения функциональности и удобства монтажа.
✅ Преимущества переключателей CCF
-
высокая коммутационная способность;
-
видимое разъединение цепей;
-
надежная контактная система с серебряным покрытием;
-
широкий диапазон токов до 1250 А;
-
соответствие IEC 60947-3;
-
оптимальное решение для систем АВР и резервного электроснабжения.
Основные характеристики CCF10003PS0 - Переключатель нагрузки CCF/3, 3P Ith-1000 A, Telergon
Отзывы о CCF10003PS0 - Переключатель нагрузки CCF/3, 3P Ith-1000 A, Telergon
Нет отзывов о данном товаре.
Вопросы и ответы (FAQ) CCF10003PS0 - Переключатель нагрузки CCF/3, 3P Ith-1000 A, Telergon
