

Описание DTZ-72 - Температурный контроллер PID с таймером, 0-400°C, 220 В АС, 72х72, TENSE
Цифровые температурные реле‑контроллеры
1. Общее назначение
Эти устройства обеспечивают контроль температуры в заданных пределах — включая или отключая нагреватель/охладитель, либо применяя PID‑алгоритм для плавного регулирования.
2. Область применения
Идеально подходят для использования в лёгкой промышленности: лаборатории, пищевая промышленность, сушилки, инкубаторы, термопечи и другие объекты, где требуется точное и стабильное управление температурой.
3. Серии и модели
-
DT‑321 / DT‑72W / DT‑96Y — популярные форматы корпуса (48×48, 72×72, 96×96 мм).
-
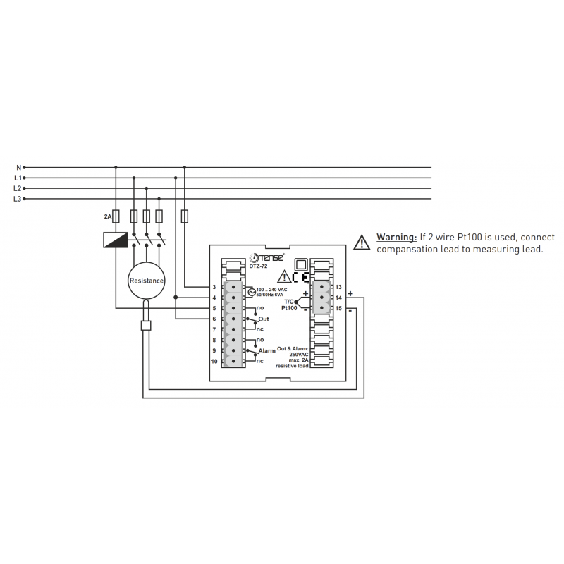
DT‑72Y — модель с панелью 72×72 мм, автоматической настройкой PID, двойным дисплеем PV/SV, режимами ON/OFF или PID, поддержкой термопар и датчика Pt100, а также выходными реле (NO/NC) для управления нагревателем и аварийной сигнализацией.
4. Основные технические характеристики
-
Входные датчики: термопары (тип J, K, T, S, R) или Pt100
-
Диапазон измерений: от −100 до +600 °C для Pt100, до +1750 °C для термопар S/R
-
Тип управления: ON/OFF или программное PID (P, PI, PD, PID) с автонастройкой
-
Выходные сигналы: реле NO/NC для нагрева/охлаждения, дополнительный аварийный выход
-
Гистерезис: регулируемый для основного и аварийного режимов
-
Дополнительно: компенсация холодного спая, линейная коррекция, фильтрация сигнала, защита паролем, сохранение настроек в EEPROM
-
Питание: 100–240 В AC (или 24 В AC/DC), IP20, монтаж на панели (размеры: 48×48 / 72×72 / 96×96 мм)
5. Дополнительные возможности
-
Аварийные режимы: настройки условий срабатывания тревоги, реакции на отказ датчика, задержки включения и др.
-
Условия эксплуатации: от 0 до +50 °C, до 70 % влажности
-
Соответствие стандартам: EN61000, EN61010‑1 (для лёгкой промышленности)
✅ Итог: Зачем объединять в категорию
Все перечисленные модели относятся к одной группе — цифровых температурных реле-контроллеров серии DT. Они выполняют одинаковую функцию: измеряют температуру, сравнивают её с заданным значением и управляют исполнительным устройством, поддерживая стабильный температурный режим. Отличаются форм-фактором, уровнем функциональности и числом выходов.
Основные характеристики DTZ-72 - Температурный контроллер PID с таймером, 0-400°C, 220 В АС, 72х72, TENSE
Отзывы о DTZ-72 - Температурный контроллер PID с таймером, 0-400°C, 220 В АС, 72х72, TENSE
Нет отзывов о данном товаре.
Вопросы и ответы (FAQ) DTZ-72 - Температурный контроллер PID с таймером, 0-400°C, 220 В АС, 72х72, TENSE
