

Описание ER-DG - Реле задержки выключения для подключения резервного питания АВР до 6 сек, 220 В АС, TENSE
Реле задержки выключения для систем АВР TENSE ER-DG – энергонезависимое
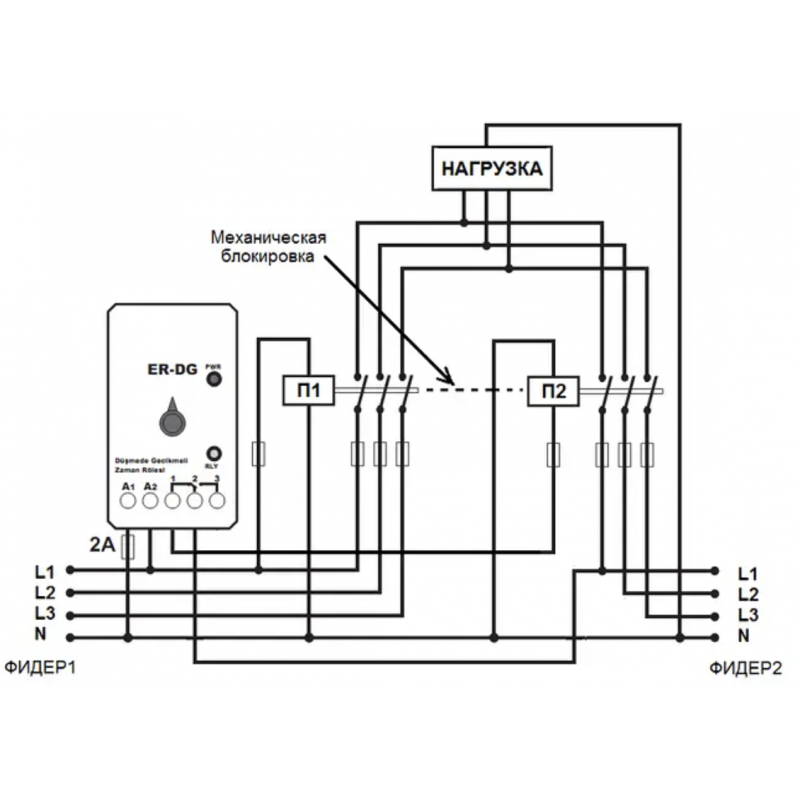
Реле TENSE ER-DG предназначено для автоматического управления резервными источниками электроэнергии в системах АВР (автоматическое включение резерва). Оно обеспечивает переключение между двумя источниками питания или сигналов и запуск резервного генератора с возможностью задержки до 12 секунд. Устройство монтируется на DIN-рейку или монтажную панель и энергонезависимо, что гарантирует сохранение настроек при отключении питания.
Хотя реле ER-DG разработано для систем АВР, его также можно использовать как обычное реле с задержкой выключения для управления освещением, вентиляцией или другими электрическими системами.
Принцип работы:
-
При наличии напряжения на контактах A1-A2 реле удерживает контакты 2-3 замкнутыми (нормальный режим работы).
-
Если питание пропадает, реле удерживает контакты 2-3 замкнутыми в течение времени, установленного на круговом регуляторе.
-
По истечении времени контакты 2-3 размыкаются, а контакты 1-2 замыкаются.
-
Через контакты 1-2 может подаваться управляющий сигнал для запуска генератора, переключения источников питания или других задач.
Преимущества реле TENSE ER-DG:
-
энергонезависимое сохранение настроек;
-
возможность задержки выключения до 12 секунд;
-
универсальное применение в промышленности и бытовых системах;
-
монтаж на DIN-рейку или монтажную панель;
-
повышает надежность и безопасность систем АВР и резервного питания.
Технические характеристики:
-
Тип реле: задержка выключения / реле АВР
-
Модель: TENSE ER-DG
-
Монтаж: DIN-рейка или монтажная панель
-
Применение: системы АВР, освещение, вентиляция, резервные источники питания
-
Задержка выключения: до 12 секунд
Основные характеристики ER-DG - Реле задержки выключения для подключения резервного питания АВР до 6 сек, 220 В АС, TENSE
Отзывы о ER-DG - Реле задержки выключения для подключения резервного питания АВР до 6 сек, 220 В АС, TENSE
Нет отзывов о данном товаре.
Вопросы и ответы (FAQ) ER-DG - Реле задержки выключения для подключения резервного питания АВР до 6 сек, 220 В АС, TENSE
