Описание ERD-48M– Многофункциональный таймер, 220В АС 48х48, 1 Rel, 1 SSR, TENSE
Многофункциональный цифровой таймер ERD-48M (13 режимов)
ERD-48M — это современный цифровой таймер промышленного класса, сочетающий высокую точность, гибкость настроек и простоту эксплуатации. Устройство поддерживает 13 режимов работы, что позволяет реализовать практически любые сценарии управления временем — от простой задержки до сложных циклических и одноразовых процессов.
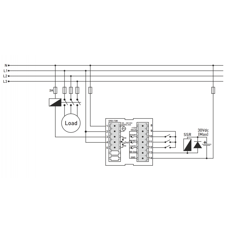
Таймер оснащён тремя независимыми входами START, RESET и GATE, обеспечивающими точный контроль запуска, сброса и блокировки отсчёта. Благодаря этому модель идеально подходит для автоматизированных систем управления, производственных линий, дозирующего и упаковочного оборудования.
Основные преимущества
-
13 режимов работы: поддержка задержки включения (ON Delay), одноразовых (One Shot), циклических (Flashing), хронометрических и других режимов.
-
Расширенные возможности управления: три независимых входа (START / RESET / GATE) обеспечивают гибкую настройку логики работы.
-
Точная установка времени: выбор временной базы — часы/минуты (до 99:59) или секунды (до 599.9).
-
Надёжная индикация: яркий 2×6-разрядный 7-сегментный LED-дисплей обеспечивает отличную видимость показаний даже при ярком освещении.
-
Сохранение параметров: энергонезависимая память EEPROM сохраняет настройки, текущее значение таймера и состояние выхода после отключения питания.
-
Совместимость с датчиками: входы 24V DC поддерживают сигналы от PNP-датчиков приближения.
-
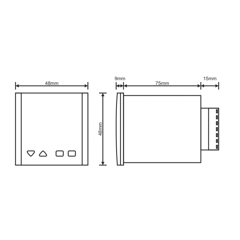
Компактный монтаж: корпус размером 48×48 мм предназначен для установки на переднюю панель щита.
Технические характеристики
| Параметр | Значение |
|---|---|
| Питание | 100–240 В AC, 50/60 Гц |
| Входы управления | START / RESET / GATE |
| Выход (реле) | NO–COM–NC, 250 В AC, 2 А (резистивная нагрузка) |
| Дополнительный выход | SS Out (твердотельный, макс. 30 В DC) |
| Индикация | 2×6-разрядный LED-дисплей |
| Монтажное отверстие | 44×44 мм (корпус 48×48 мм) |
Область применения
ERD-48M используется в системах, где требуется точное управление временем и высокая надёжность:
-
автоматизация производственных процессов;
-
упаковочные и дозирующие машины;
-
конвейерные системы и линии розлива;
-
вентиляционное и насосное оборудование;
-
системы таймирования, циклического управления и задержек.
✅ ERD-48M — это универсальный цифровой таймер для автоматизации, сочетающий функциональность, точность и простоту интеграции в любые промышленные системы.
Основные характеристики ERD-48M– Многофункциональный таймер, 220В АС 48х48, 1 Rel, 1 SSR, TENSE
Отзывы о ERD-48M– Многофункциональный таймер, 220В АС 48х48, 1 Rel, 1 SSR, TENSE
Нет отзывов о данном товаре.
Вопросы и ответы (FAQ) ERD-48M– Многофункциональный таймер, 220В АС 48х48, 1 Rel, 1 SSR, TENSE
