Описание ERD-96 – Таймер задержки на вкл/выкл, 5А, 220В АС, 96х96, TENSE
Реле времени задержки включения TENSE ERD-96 | Многофункциональный цифровой таймер 96×96 мм
Описание
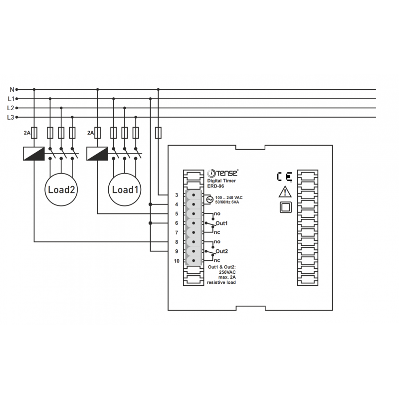
Цифровое реле времени TENSE ERD-96 предназначено для создания задержки включения или формирования последовательности импульсов в системах автоматизации. Устройство широко применяется в системах климат-контроля, вентиляции, управлении насосами бассейнов, освещением, охранных и аварийных сигнализациях. Таймер обеспечивает точное управление временем и стабильную работу даже в сложных промышленных условиях.
Основные характеристики:
-
Две основные функции: задержка включения и циклический режим работы (реле-генератор импульсов).
-
Диапазон настройки времени — от 0,1 секунды до 999 минут.
-
Индикатор обратного отсчета показывает оставшееся время до срабатывания.
-
Удобное подключение через винтовые клеммы.
-
Компактный корпус для встраивания в щит 96×96 мм, монтажное отверстие — 90×90 мм.
Технические параметры:
-
Дисплей: 3-разрядный 7-сегментный LED-индикатор
-
Режимы работы: мгновенный старт / задержка / мигание
-
Диапазоны измерения:
-
99,9 секунд
-
999 секунд
-
99,9 минут
-
999 минут (выбирается на передней панели)
-
-
Разрешение: 0,1 с / 1 с / 0,1 мин / 1 мин
-
Точность: ±1,5 %
-
Выходы:
-
OUT1: реле (NO + NC) — 250 В AC, 2 А (резистивная нагрузка)
-
OUT2: реле (NO + NC) — 250 В AC, 2 А
-
-
Питание: 100–240 В AC, 50/60 Гц
-
Потребляемая мощность: <5 ВА
-
Рабочая температура: –20…+55 °C
-
Рабочая высота: до 2000 м
Преимущества реле времени TENSE ERD-96:
-
Высокая точность и стабильность отсчета времени
-
Простая настройка через переднюю панель
-
Надежная работа в промышленных и бытовых условиях
-
Сохранение параметров при отключении питания
-
Универсальность применения в любых автоматизированных системах
Основные характеристики ERD-96 – Таймер задержки на вкл/выкл, 5А, 220В АС, 96х96, TENSE
Отзывы о ERD-96 – Таймер задержки на вкл/выкл, 5А, 220В АС, 96х96, TENSE
Нет отзывов о данном товаре.
Вопросы и ответы (FAQ) ERD-96 – Таймер задержки на вкл/выкл, 5А, 220В АС, 96х96, TENSE
