Описание ERD-96M – Многофункциональный таймер, 2 Rel, TENSE
Цифровой таймер TENSE ERD-96M – многофункциональное реле времени 96×96 мм
TENSE ERD-96M — это универсальный электронный цифровой таймер, предназначенный для точного управления временными процессами в системах автоматизации.
Устройство выполняет функции реле задержки включения и выключения, счетчика времени и контроллера тайминга, обеспечивая стабильную и точную работу в различных областях.
Благодаря широким возможностям настройки, таймер ERD-96M применяется в:
-
промышленных установках и производственных линиях,
-
системах вентиляции и кондиционирования,
-
отопительных и климатических системах,
-
схемах освещения и сигнализации,
-
системах контроля доступа и автоматизации технологических процессов.
Основные преимущества и возможности
-
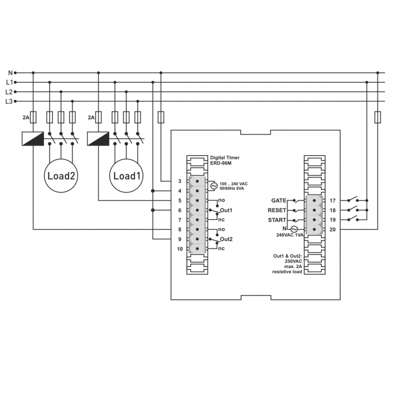
Цифровое реле времени с входами START / RESET / GATE и выходами OUT1 / OUT2.
-
Удобный двухстрочный 7-сегментный LED-дисплей.
-
8 программируемых режимов работы для различных задач автоматизации.
-
Отсчет времени в часах, минутах и секундах — до 99:59 часов / 99:59 минут / 599,9 секунд.
-
Энергонезависимая память EEPROM сохраняет настройки при сбоях питания.
-
Поддержка входного напряжения 230 В AC.
-
Возможность блокировки отсчета по входу GATE.
Технические характеристики
| Параметр | Значение |
|---|---|
| Размер передней панели | 96×96 мм |
| Размер монтажного отверстия | 91×91 мм |
| Дисплей | 2×4-разрядный, 7-сегментный LED |
| Входы | START / RESET / GATE |
| Входное напряжение | 230 В AC |
| Функция GATE | При активации останавливает отсчет времени |
| Выходы | 2 реле (NO-O-NC), 250 В AC, 2 А (резистивная нагрузка) |
| Диапазон времени | 99:59 часов / 99:59 минут / 599,9 секунд |
| Напряжение питания | 100–240 В AC, 50/60 Гц |
| Потребляемая мощность | < 8 ВА |
| Рабочая температура | –20…+55 °C |
| Рабочая высота | до 2000 м |
Режимы работы таймера
-
Импульсная задержка (RESET-сброс) — активация выходов через установленное время после сигнала START.
-
Мигание (START/RESET) — циклическое включение и выключение выходов на время t.On и t.Off.
-
Одноразовый импульс при изменении сигнала START (OFF → ON или ON → OFF).
-
Задержка выключения — выходы отключаются с задержкой после снятия сигнала START.
-
Следование и задержка включения — Out1 включается сразу, Out2 — через заданный интервал t.SET.
-
Задержанный импульс после выключения — включение через время tA, выключение через tB.
-
Хронометр (счетчик времени) — отсчет при активном сигнале START, активация Out2 при достижении t.SET.
-
Хронометр с ручным сбросом (RESET) — аналогично режиму 7, но сбрасывается по входу RESET.
Преимущества использования TENSE ERD-96M
-
Высокая точность и стабильность измерений.
-
Простая настройка и интуитивное управление.
-
Надежная конструкция для длительной эксплуатации.
-
Универсальное применение в системах автоматики, сигнализации и освещения.
TENSE ERD-96M — надежное решение для точного управления временем в любых автоматизированных системах.
Основные характеристики ERD-96M – Многофункциональный таймер, 2 Rel, TENSE
Отзывы о ERD-96M – Многофункциональный таймер, 2 Rel, TENSE
Нет отзывов о данном товаре.
Вопросы и ответы (FAQ) ERD-96M – Многофункциональный таймер, 2 Rel, TENSE
