

Описание MV810G1-4T0.75B- Частотный преобразователь 0.75 кВт, 3Ф/380В, серия MV810, Megmeet
Megmeet – мировой лидер в области силовой электроники. Преобразователи частоты серии MV810 разработаны для асинхронных двигателей малой мощности, сочетая надежность, энергоэффективность и простоту интеграции в промышленные системы.
Серия MV810 имеет компактный модульный корпус, удобный для монтажа и технического обслуживания, что позволяет быстро интегрировать инвертор в производственные установки.
Области применения
Преобразователи частоты MV810 подходят для:
-
малых насосов и вентиляторов (HVAC), дозаторов, конвейеров;
-
упаковочного, пищевого, текстильного и деревообрабатывающего оборудования малой мощности;
-
вспомогательных механизмов на производстве и в мастерских.
Основные преимущества
-
Компактный дизайн и простой монтаж;
-
Съемные вентиляторы и клеммы для быстрого обслуживания;
-
Встроенный USB Type-C для подключения к ПК;
-
Стационарная панель управления;
-
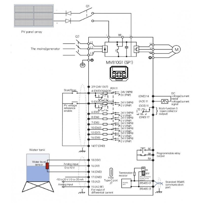
Программируемые входы/выходы: 8 цифровых, 2 аналоговых, 2/4 цифровых выхода, 1 аналоговый выход;
-
Встроенные источники питания 10В и 24В;
-
Встроенный Modbus RTU и стандартный Ethernet для сетевой интеграции;
-
Функции энергосбережения и интеллектуального управления вентилятором;
-
Программируемая клавиша на панели управления.
Технические характеристики
-
Выходная частота: 0,1–600 Гц (шаг 0,01 Гц)
-
Режимы управления: скалярное (V/F), векторное без датчика (SVC)
-
Перегрузочная способность: 150% – 60 с, 180% – 3 с
-
Пусковой момент: 150% при 0,25 Гц (без датчика)
-
Точность регулирования момента: ±5%
-
Точность регулирования скорости: ±0,2%
-
Охлаждение: принудительное, съемный вентилятор и быстрый доступ для ТО
-
Интерфейсы: RS485 (Modbus RTU), USB Type-C
-
Дисплей: 5-разрядный LED-индикатор, многофункциональные клавиши
Встроенные защиты и функции
-
Защита от короткого замыкания, перегрузки, перегрева, перепадов напряжения, потери фазы
-
Тепловая защита двигателя
-
PID-регулятор для насосов, вентиляторов и HVAC
-
Энергосберегающий режим (Energy Saving)
-
Автоподхват вращающегося двигателя (Catch-on-the-fly)
-
Автоматическая настройка параметров двигателя (Auto-tuning)
-
Встроенный PLC и поддержка выбора скоростей/положений
Конструкция и монтаж
-
Корпус: компактный, модульный
-
Монтаж: настенный, вертикальный, с зазорами ≥100 мм сверху/снизу, ≥10 мм сбоку
-
Степень защиты: IP20
Параметры и режим работы
-
Базовая частота: 0,01–599 Гц
-
Частота запуска: 0–50 Гц
-
Задание частоты через панель, аналоговые сигналы (AI1/AI2), импульсный вход (HDI), встроенный PLC, PID-регулятор или промышленную сеть
-
Время разгона/торможения: 0,1–6000 с (шаг 0,1 с)
-
Динамическое торможение: встроенное, 0–100%
-
DC-торможение: частота 0–599 Гц, время 0,1–50 с, ток 0–100%
Условия эксплуатации
-
Помещение без прямых солнечных лучей, пыли, коррозийных/взрывоопасных газов, масляного тумана, влаги и солей
-
Высота установки: до 1000 м – без ограничений, 1000–3000 м – снижение номинала на 1% на каждые 100 м, максимум – 3000 м
-
Температура эксплуатации: -10…+50 °C
-
Влажность: 5–95% без конденсата
-
Вибрации: 2–9 Гц амплитуда 1,5 мм; 9–200 Гц ускорение 5,9 м/с²
-
Температура хранения: -30…+70 °C
Megmeet MV810 – универсальный, компактный и энергоэффективный преобразователь частоты для маломощных приводов с широким набором функций управления и защит.
Основные характеристики MV810G1-4T0.75B- Частотный преобразователь 0.75 кВт, 3Ф/380В, серия MV810, Megmeet
Отзывы о MV810G1-4T0.75B- Частотный преобразователь 0.75 кВт, 3Ф/380В, серия MV810, Megmeet
Нет отзывов о данном товаре.
Вопросы и ответы (FAQ) MV810G1-4T0.75B- Частотный преобразователь 0.75 кВт, 3Ф/380В, серия MV810, Megmeet
