Описание Промежуточное реле RSL в сборе с цоколем (пружинные зажимы), Ie-6 A, Uc-115 В AC/DC, 1 C/O, Schneider Electric (RSL1PRFU)
Интерфейсные реле Schneider Electric Harmony RSL — ультратонкие реле 6 мм для плотного монтажа
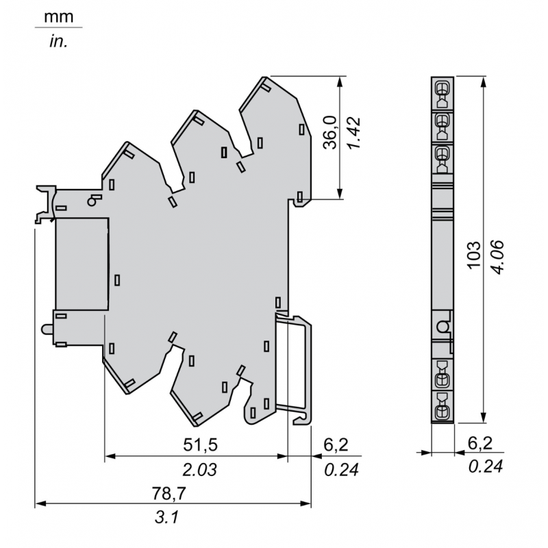
Интерфейсные реле серии Harmony RSL от Schneider Electric — это компактное slim-решение шириной всего 6 мм, предназначенное для максимальной экономии пространства в шкафах управления и системах промышленной автоматики. Несмотря на минимальные габариты, реле обеспечивают надежную коммутацию нагрузок до 6 А, что делает их оптимальным выбором для сигнальных и управляющих цепей.
Ключевые характеристики и преимущества
Ультратонкая конструкция
Slim-исполнение с шириной 6 мм позволяет существенно увеличить плотность монтажа на DIN-рейке.
Контактная группа
1 перекидной контакт (SPDT / 1 C/O) — универсальное решение для большинства схем управления.
Номинальный ток
Коммутация нагрузок до 6 А (общего назначения).
Гибкие варианты поставки
отдельные сменные реле;
готовые сборки (реле + розетка) под одним каталожным номером — для быстрого монтажа и замены.
Особенности розеток Harmony RSL
Универсальное питание AC/DC с встроенной защитой от переходных процессов и неправильной полярности;
при любом входном напряжении (AC или DC) на катушку реле подается стабилизированное и отфильтрованное постоянное напряжение (DC);
встроенный светодиодный LED-индикатор состояния;
интегрированная защитная цепь для повышения надежности работы.
Таблица выбора (готовые сборки и сменные реле)
Артикулы для заказа кратно 10 штукам:
| Напряжение питания розетки | С винтовыми клеммами | С пружинными клеммами | Сменное реле |
|---|---|---|---|
| 12 В AC/DC | RSL1PVJU | RSL1PRJU | RSL1AB4JD |
| 24 В AC/DC | RSL1PVBU | RSL1PRBU | RSL1AB4BD |
| 48 В AC/DC | RSL1PVEU | RSL1PREU | RSL1AB4ED |
| 110 В AC/DC | RSL1PVFU | RSL1PRFU | RSL1AB4ND |
| 230 В DC | RSL1PVPU | RSL1PRPU | RSL1AB4ND |
Аксессуары для реле Harmony RSL
Для упрощения монтажа и обслуживания доступны фирменные аксессуары Schneider Electric:
Маркировочные бирки (ID tags) — RSLZ5
(2 листа по 64 бирки);Гребенчатые перемычки (Bus jumper) — RSLZ2
(10 шт., 20-полюсные);Разделительные пластины (Isolator) — RSLZ3
(10 шт.).
Сертификация и соответствие стандартам
Реле и розетки серии Harmony RSL соответствуют международным стандартам UL, CSA, CE, а также требованиям директивы RoHS, что подтверждает их безопасность и надежность при эксплуатации.
Основные характеристики Промежуточное реле RSL в сборе с цоколем (пружинные зажимы), Ie-6 A, Uc-115 В AC/DC, 1 C/O, Schneider Electric (RSL1PRFU)
Отзывы о Промежуточное реле RSL в сборе с цоколем (пружинные зажимы), Ie-6 A, Uc-115 В AC/DC, 1 C/O, Schneider Electric (RSL1PRFU)
Нет отзывов о данном товаре.
Вопросы и ответы (FAQ) Промежуточное реле RSL в сборе с цоколем (пружинные зажимы), Ie-6 A, Uc-115 В AC/DC, 1 C/O, Schneider Electric (RSL1PRFU)
