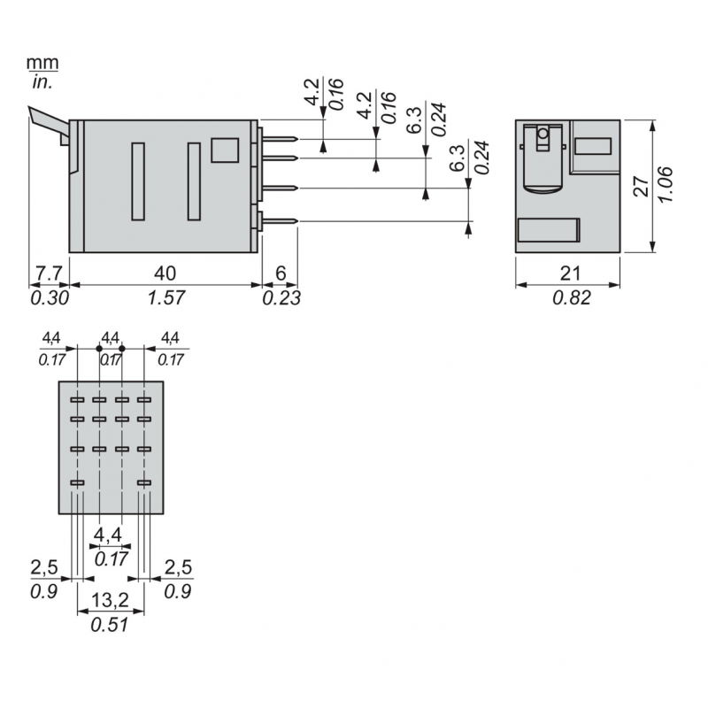
Описание Промежуточное реле RXM слаботочное, Ie-3 A, Uc-24 В DC, 4 C/O, LED, кнопка тест, Schneider Electric (RXM4GB2BD)
Интерфейсные реле Schneider Electric Harmony RXM — универсальные Plug-In реле для промышленной автоматики
Интерфейсные реле серии Harmony RXM от Schneider Electric — это миниатюрные вставные (Plug-In) реле, разработанные для надежной работы в системах промышленной автоматизации со средними нагрузками от 3 до 12 А. Серия RXM сочетает компактные размеры, высокую коммутационную способность и широкий выбор исполнений, что делает эти реле оптимальным решением для самых требовательных промышленных применений.
Основные технические характеристики
Номинальный ток (Ith)
12 А — модели с 2 перекидными контактами (DPDT / 2 C/O);
10 А — модели с 3 перекидными контактами (3PDT / 3 C/O);
8 А — модели с 4 перекидными контактами (4PDT / 4 C/O);
3 А — версии с позолоченными контактами (Low level) для коммутации слабых и сигнальных цепей.
Контактные группы
Реле Harmony RXM выпускаются с 2, 3 или 4 перекидными контактами (C/O), что позволяет гибко применять их в различных схемах управления.
Функциональные возможности и преимущества
Контроль и управление
Кнопка тестирования со съемной блокировочной крышкой
(в зависимости от исполнения) для принудительной проверки состояния контактов;Механический индикатор положения контактов — входит в стандартную комплектацию;
Светодиодная LED-индикация — зеленый индикатор наличия питания на катушке
(в отдельных моделях).
Защита и надежность
Предусмотрена установка дополнительных защитных модулей, предназначенных для подавления импульсных перенапряжений и электрических помех, что увеличивает срок службы оборудования.
Популярные модели Harmony RXM
Реле поставляются упаковками по 10 шт. Ниже приведены примеры наиболее востребованных артикулов:
| Напряжение катушки | 2 C/O (12 А) | 3 C/O (10 А) | 4 C/O (8 А) |
|---|---|---|---|
| 24 В DC | RXM2AB2BD | RXM3AB2BD | RXM4AB2BD |
| 230 В AC | RXM2AB2P7 | RXM3AB2P7 | RXM4AB2P7 |
| 120 В AC | RXM2AB2F7 | RXM3AB2F7 | RXM4AB2F7 |
| 12 В DC | RXM2AB2JD | RXM3AB2JD | RXM4AB2JD |
Аксессуары и монтажные решения
Для быстрого монтажа и удобной эксплуатации реле Harmony RXM доступны фирменные аксессуары Schneider Electric:
Розетки серии RXZ — с раздельным (Separate) или смешанным (Mixed) расположением клемм;
Гребенчатые перемычки — упрощают соединение нескольких розеток и сокращают время электромонтажа;
Фиксаторы — пластиковые и металлические зажимы для надежной фиксации реле в розетке;
Маркировка — идентификационные бирки RXZL520 для удобной идентификации в шкафах управления.
Сертификация и стандарты
Интерфейсные реле серии Harmony RXM сертифицированы по международным стандартам UL, CSA, CE и полностью соответствуют требованиям директивы RoHS, что подтверждает их безопасность, надежность и пригодность для промышленного применения.
Основные характеристики Промежуточное реле RXM слаботочное, Ie-3 A, Uc-24 В DC, 4 C/O, LED, кнопка тест, Schneider Electric (RXM4GB2BD)
Отзывы о Промежуточное реле RXM слаботочное, Ie-3 A, Uc-24 В DC, 4 C/O, LED, кнопка тест, Schneider Electric (RXM4GB2BD)
Нет отзывов о данном товаре.
Вопросы и ответы (FAQ) Промежуточное реле RXM слаботочное, Ie-3 A, Uc-24 В DC, 4 C/O, LED, кнопка тест, Schneider Electric (RXM4GB2BD)
