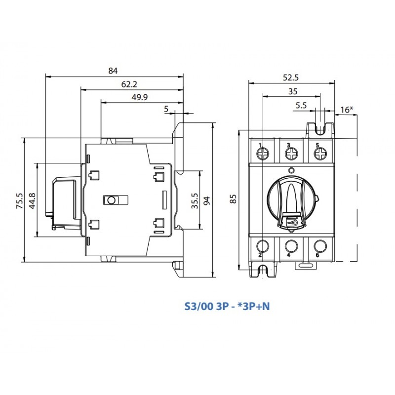
Описание S3-00803P1DB - Выключатель модульный с прямой ручкой, 3P Ith-80 A, Telergon
Модульные выключатели и переключатели переменного тока СЕРИЯ S3 — TELERGON (Vector VS)
Серия S3 от TELERGON (Vector VS) представляет собой линейку надежных модульных выключателей-разъединителей и переключателей ввода резерва для низковольтных цепей переменного тока. Эти аппараты обеспечивают безопасную коммутацию и разъединение электрических цепей, соответствуют международным стандартам и подходят для разнообразных условий монтажа.
Общие характеристики серии S3
-
Тип аппарата: компактный выключатель-разъединитель переменного тока (Compact AC switch-disconnector).
-
Стандарты: IEC 60947-3, EN 60947-3.
-
Исполнение: модульное, удобное для различных видов установки.
-
Функция: коммутация и безопасное разъединение цепей.
-
Диапазон номинальных токов: от 16 А до 125 А.
-
Конфигурация полюсов: 3P (три полюса) и 3P+N (три полюса + нейтраль).
Варианты монтажа и управления
Серия S3 отличается гибкостью установки и разнообразием типов рукояток, что отражено в артикулах:
| Код в артикуле | Тип монтажа | Описание |
|---|---|---|
| DB | DIN-рейка | Стандартная установка на монтажную рейку |
| P | Дверной монтаж | Установка на дверь шкафа с выносной рукояткой |
| M | Монтаж с выносной рукояткой | Внутри шкафа с управлением снаружи |
| D | Крепление винтами | Базовое крепление на панель |
| C | Не указано | Требует уточнения |
Типы рукояток:
| Код рукоятки | Тип | Цвет и особенности |
|---|---|---|
| 1 | Прямое блокирование | Черный, блокируемый |
| 3 | Панельное блокирование | Черный, блокировка на панели |
| 4 | Аварийное панельное | Красный/Желтый, аварийное исполнение |
| 5 | Прямое блокирование | Красный/Желтый, аварийное исполнение |
| 6 | Основа 48×48 | Черный |
| 7 | Основа 48×48 | Красный/Желтый |
Технические характеристики выключателей S3
| Параметр | Ед. изм. | 16 А | 25 А | 32 А | 40 А | 63 А | 80 А | 100 А | 125 А |
|---|---|---|---|---|---|---|---|---|---|
| Номинальный ток | А | 16 | 25 | 32 | 40 | 63 | 80 | 100 | 125 |
| Номинальное напряжение | В | 690 | 690 | 690 | 690 | 690 | 690 | 690 | 690 |
| Изоляционное напряжение | В | 1000 | 1000 | 1000 | 1000 | 1000 | 1000 | 1000 | 1000 |
| Категория применения (415 В) | - | AC-22A | AC-22A | AC-22A | AC-22A | AC-22A | AC-22A | AC-22A | AC-22A |
| Кратковременный ток 1 с | кА | 1,2 | 1,5 | 1,5 | 1,7 | 2,5 | 3 | 3,5 | 4 |
Переключатели ввода резерва S3 (I-0-II)
Серия S3 включает также переключатели ввода резерва с тремя позициями: I-0-II (Ввод 1 – Выключено – Ввод 2).
-
Диапазон токов: 16–125 А
-
Конфигурация: 3P и 3P+N
-
Особенности: те же варианты рукояток и монтажа, что и у выключателей.
Серия S3 — это универсальные, компактные и надежные аппараты для коммутации и переключения цепей переменного тока до 125 А. Они идеально подходят для низковольтных распределительных щитов, промышленных установок и коммерческих объектов.
Основные характеристики S3-00803P1DB - Выключатель модульный с прямой ручкой, 3P Ith-80 A, Telergon
Отзывы о S3-00803P1DB - Выключатель модульный с прямой ручкой, 3P Ith-80 A, Telergon
Нет отзывов о данном товаре.
Вопросы и ответы (FAQ) S3-00803P1DB - Выключатель модульный с прямой ручкой, 3P Ith-80 A, Telergon
