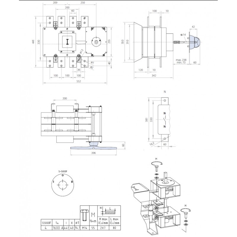
Описание S5F16003NS0 - Переключатель нагрузки S5F/3, 4P Ith-1600 A, Telergon
Переключатели ввода резерва S5F и S5L (I-0-II)
Переключатели серий S5F и S5L — это надежные аппараты для коммутации нагрузки, предназначенные для ручного переключения между основным и резервным источниками питания. Оборудование относится к классу Changeover Switches I-0-II и применяется в распределительных щитах, промышленных установках и системах резервного электроснабжения.
Переключатели серии S5F I-0-II
Переключатели S5F — это переключатели ввода резерва для базового монтажа (base mounting), полностью соответствующие требованиям международного стандарта IEC 60947-3. Серия доступна в двух- и трехпозиционном исполнении, включая версии без положения OFF (по запросу), что позволяет гибко адаптировать оборудование под конкретные задачи.
Основные характеристики по типоразмерам
| Size | Номинальный ток, A | Исполнение | Механическая износостойкость |
|---|---|---|---|
| 0 | 125 / 160 / 200 | 3P / 3P+N | до 8 000 циклов |
| 1 | 250 / 315 / 400 | 3P / 3P+N | до 8 000 / 5 000 (400 A) |
| 2 | 500 / 630 / 800 | 3P / 3P+N | до 5 000 / 3 000 (800 A) |
| 3 | 1000 / 1250 | 3P / 3P+N | до 3 000 |
| 4 | 1600 / 1800 / 2000 | 3P / 3P+N | до 3 000 |
| 5 | 2000 / 2500 / 3150 | 3P / 3P+N | до 600 |
Технические параметры (общие)
-
Номинальное напряжение изоляции (Ui): 1000 В
-
Импульсное выдерживаемое напряжение (Uimp):
-
8 кВ — Size 0
-
до 12 кВ — для остальных типоразмеров
-
-
Категории применения: AC-21A, AC-22A, AC-23A (400 В)
-
Коммутационная способность при КЗ (Icm, peak):
-
от 13 кА — Size 0
-
до 100 кА — Size 5
-
Аксессуары для серии S5F
Серия S5F поддерживает полный набор унифицированных аксессуаров:
-
Рукоятки управления:
-
прямые (Direct handle);
-
внешние (External handle) со степенью защиты IP65.
-
-
Вспомогательные контакты:
-
1NO + 1NC — DS-AU11;
-
2NO + 2NC — DS-AU12.
-
-
Блокировка рукоятки на ключ:
-
фиксация в положении OFF (по запросу — в ON).
-
-
Защитные кожухи клемм (Terminal shrouds).
-
Фазные перегородки (Phase barriers) для соблюдения воздушных зазоров.
-
Валы и удлинители валов различных типов.
Переключатели серии S5L
Полная техническая документация по серии S5L в доступных материалах отсутствует.
Доступная информация:
-
В каталогах упоминается модель S5L/0 3×160 A.
-
Обозначение S5L/0 указывает на типоразмер Size 0, а номинальный ток 160 A позволяет отнести серию S5L к компактным переключателям нагрузки / ввода резерва.
Предполагаемое назначение:
Переключатели S5L, вероятно, предназначены для базовых применений и могут иметь конструктивно и функционально схожие характеристики с младшими моделями серии S5F.
Для получения точных технических данных рекомендуется обращаться к официальной документации производителя.
✅ Преимущества серий S5F и S5L
-
надежное переключение источников питания I-0-II;
-
широкий диапазон номинальных токов — до 3150 А;
-
высокая коммутационная способность;
-
соответствие стандарту IEC 60947-3;
-
богатый выбор аксессуаров;
-
оптимальное решение для систем АВР и резервного электроснабжения.
Основные характеристики S5F16003NS0 - Переключатель нагрузки S5F/3, 4P Ith-1600 A, Telergon
Отзывы о S5F16003NS0 - Переключатель нагрузки S5F/3, 4P Ith-1600 A, Telergon
Нет отзывов о данном товаре.
Вопросы и ответы (FAQ) S5F16003NS0 - Переключатель нагрузки S5F/3, 4P Ith-1600 A, Telergon
