Описание SSLZRA1 - Розетка для реле SSL (пружинные клеммы, светодиод, защита, питание 5-24VDC) Schneider Electric
Компактные твердотельные реле Schneider Electric SSL
Серия SSL от Schneider Electric — это ультратонкие твердотельные реле (SSR) для коммутации нагрузок постоянного и переменного тока. Ширина реле всего 6,2 мм с розеткой, что позволяет экономить место на DIN-рейке и упрощает монтаж в компактных шкафах управления. Эти реле сочетают в себе долговечность полупроводниковых технологий и бесшумную работу, исключая износ механических контактов.
Преимущества серии SSL
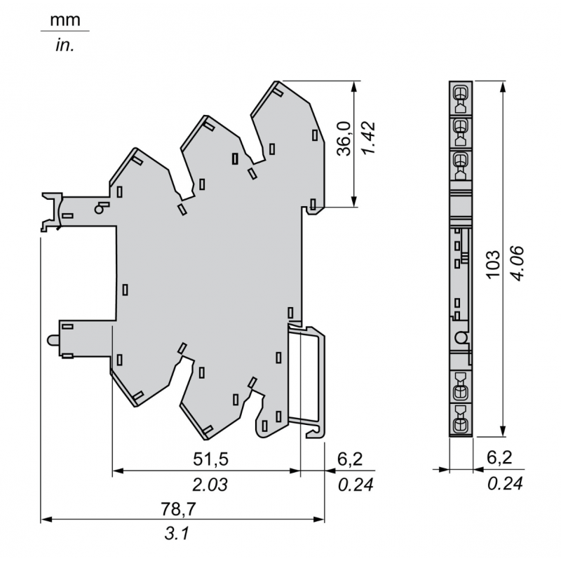
Компактные размеры: 5 мм ширина реле, 6,2 мм вместе с розеткой — идеально для плотной установки на DIN-рейке.
Долговечность и надежность: Отсутствие механических контактов исключает износ и образование электрической дуги.
Простота обслуживания: Фиксирующий рычаг позволяет быстро заменить реле без отсоединения проводов.
Индикация и защита: Встроенный светодиод показывает состояние реле, а схема защиты предотвращает повреждение от обратной полярности.
Технические характеристики
Типы коммутации:
DC-реле: Для управления нагрузками до 3,5 А (24 В) или высокоточными сигналами до 100 мА (48 В).
AC-реле с переключением при «нуле»: Оптимально для резистивных нагрузок — нагрев, лампы, минимизация электромагнитных помех.
AC-реле с мгновенным переключением: Рекомендуется для индуктивных нагрузок.
Электрические параметры:
| Параметр | Значение |
|---|---|
| Ток нагрузки | 0,1 А / 2 А / 3,5 А |
| Напряжение управления | 3–12 В DC или 15–30 В DC |
| Выходное напряжение (DC) | 1–48 В / 3–30 В |
| Выходное напряжение (AC) | 24–280 В (однофазное) |
Варианты поставки
1. Отдельные компоненты (Plug-in)
Позволяют самостоятельно собирать реле с нужным типом клемм:
Реле: Артикулы
SSL1...(например, SSL1A12BD), упаковка 10 шт.Розетки:
SSLZVA1— с винтовыми клеммамиSSLZRA1— с пружинными клеммами
2. Готовые комплекты (сборка на заводе)
Продаются под одним артикулом, упаковка 30 шт.:
С винтовыми клеммами (PV):
SSL1A12BDPVС пружинными клеммами (PR):
SSL1A12BDPR
Конструктивные особенности
Контактная группа: 1 переключающий (NO) контакт.
Тип монтажа: Вставное (Plug-in) реле с усиленными плоскими контактами.
Рычаг фиксации: Зеленый пластиковый фиксатор для надежного удержания и легкого извлечения.
Маркировка: Место для табличек или этикеток.
Монтаж: Стандартная DIN-рейка 35 мм.
Идеально подходит для: шкафов автоматики, приборов управления, промышленных систем с ограниченным пространством и высокими требованиями к надежности.
Нужна помощь в подборе конкретного артикула под ваше напряжение и ток нагрузки? Наши специалисты помогут выбрать оптимальное реле Schneider Electric SSL.
Основные характеристики SSLZRA1 - Розетка для реле SSL (пружинные клеммы, светодиод, защита, питание 5-24VDC) Schneider Electric
Отзывы о SSLZRA1 - Розетка для реле SSL (пружинные клеммы, светодиод, защита, питание 5-24VDC) Schneider Electric
Нет отзывов о данном товаре.
Вопросы и ответы (FAQ) SSLZRA1 - Розетка для реле SSL (пружинные клеммы, светодиод, защита, питание 5-24VDC) Schneider Electric
