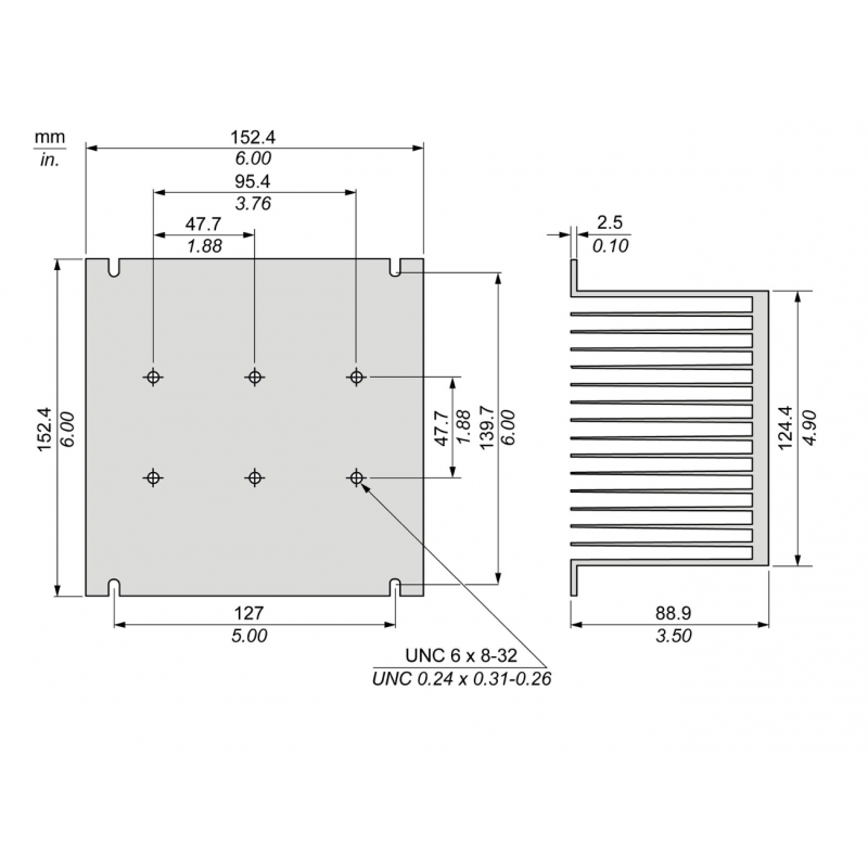
Описание SSRHP05 - Радиатор для твердотельных реле До 3 единиц SSP1 или 1 единица SSP3, панельный монтаж, Schneider Electric
Радиаторы и аксессуары для твердотельных реле Schneider Electric (Zelio Relay SSR)
Радиаторы и аксессуары для твердотельных реле Schneider Electric серии Zelio Relay предназначены для эффективного отвода тепла и обеспечения стабильной работы SSR-реле под номинальной и повышенной нагрузкой. Корректно подобранный радиатор напрямую влияет на срок службы твердотельного реле и его допустимый рабочий ток.
Оборудование полностью совместимо с твердотельными реле серий SSP1 и SSP3 и применяется в шкафах управления, системах промышленной автоматизации и энергетических установках.
Радиаторы для твердотельных реле SSR
В линейке представлены радиаторы для панельного монтажа и установки на DIN-рейку. Ключевым параметром выбора является тепловое сопротивление (°C/Вт) — чем ниже значение, тем эффективнее охлаждение реле при высоких токах нагрузки.
Радиаторы для панельного монтажа
| Модель | Совместимые реле | Тепловое сопротивление | Масса |
|---|---|---|---|
| SSRHP02 | до 3× SSP1 или 1× SSP3 | 0,2 °C/Вт | 2,59 кг |
| SSRHP05 | до 3× SSP1 или 1× SSP3 | 0,5 °C/Вт | 1,44 кг |
| SSRHP07 | 1× SSP1 | 0,7 °C/Вт | 0,53 кг |
| SSRHP10 | до 3× SSP1 или 1× SSP3 | 1,0 °C/Вт | 0,62 кг |
| SSRHP25 | 1× SSP1 | 2,5 °C/Вт | 0,10 кг |
Панельные радиаторы SSRHP оптимальны для применения в шкафах управления с ограниченной вентиляцией и при длительной работе под высокой нагрузкой.
Радиатор для монтажа на DIN-рейку
SSRHD10 — компактный радиатор для установки на стандартную DIN-рейку 35 мм
Тепловое сопротивление: 1,0 °C/Вт
Совместимость: до 3 реле SSP1 или 1 реле SSP3
Масса: 0,63 кг
Идеальное решение для промышленной автоматики и модульных шкафов.
Аксессуары для твердотельных реле
Медный клеммный зажим для силовых подключений
Модель: SSRAL1
Назначение: подключение силовых кабелей большого сечения
Совместимость: твердотельные реле SSP1
Диапазон сечения кабеля: от AWG 6 до AWG 0
Материал: медь
Комплектация: поставка упаковками по 10 шт.
Аксессуар обеспечивает надежный контакт, минимальные потери и безопасную работу при высоких токах.
Как выбрать радиатор для SSR
Правильный подбор системы охлаждения зависит от рабочего тока, напряжения и условий эксплуатации:
Для высоких токов и нескольких реле рекомендуется радиатор SSRHP02 с минимальным тепловым сопротивлением
Для одного однофазного реле и умеренной нагрузки подойдет компактный SSRHP25
Для шкафов автоматики с DIN-рейкой оптимальным выбором станет SSRHD10
Основные характеристики SSRHP05 - Радиатор для твердотельных реле До 3 единиц SSP1 или 1 единица SSP3, панельный монтаж, Schneider Electric
Отзывы о SSRHP05 - Радиатор для твердотельных реле До 3 единиц SSP1 или 1 единица SSP3, панельный монтаж, Schneider Electric
Нет отзывов о данном товаре.
Вопросы и ответы (FAQ) SSRHP05 - Радиатор для твердотельных реле До 3 единиц SSP1 или 1 единица SSP3, панельный монтаж, Schneider Electric
