Описание ZUBR 3F - Трехфазное реле контроля напряжения + асиметрия 5 А, 100-420 В АС, + Термозащита, ZUBR
ZUBR 3F — это микропроцессорное реле контроля напряжения, предназначенное для надёжной защиты бытового и промышленного трёхфазного оборудования, включая электродвигатели, насосы, компрессоры, вентиляторы, системы отопления и автоматизацию.
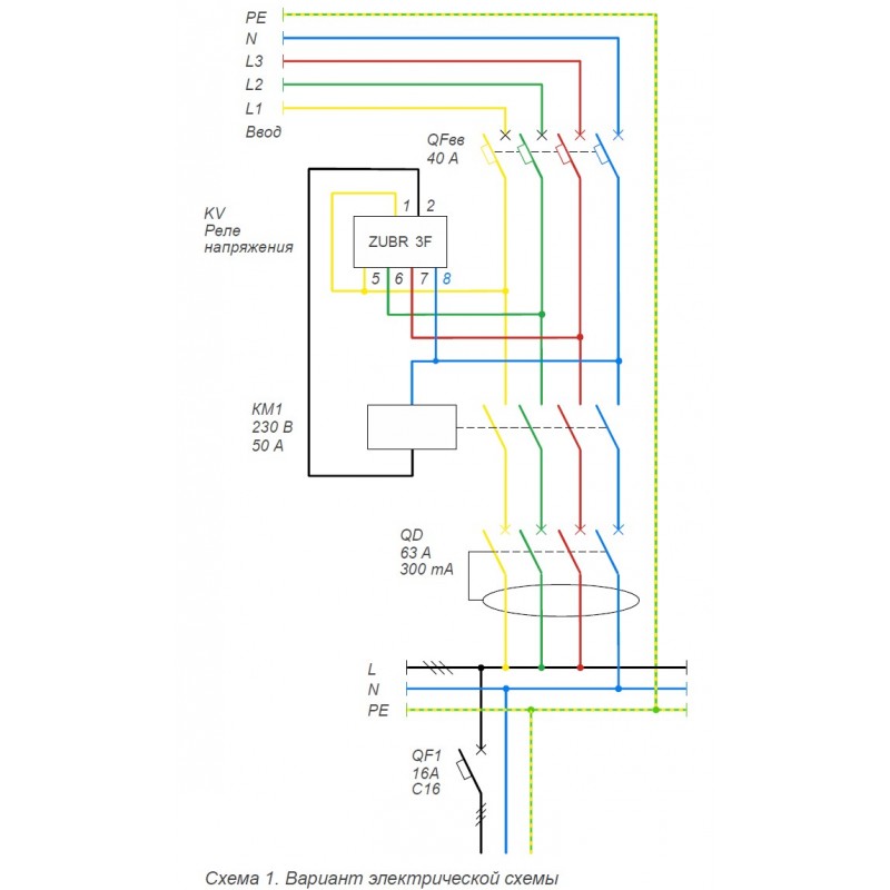
Устройство контролирует качество питающего напряжения и автоматически отключает нагрузку при опасных отклонениях в сети.
Функции защиты
Реле автоматически отключает нагрузку при:
-
???? Пониженном напряжении (ниже установленного порога)
-
???? Повышенном напряжении (выше допустимого уровня)
-
⚠️ Перекосе (асимметрии) фаз
-
???? Неправильной последовательности чередования фаз
✅ Регулируемая задержка отключения при асимметрии фаз
✅ Память настроек сохраняется даже при отключении питания
✅ Встроенный журнал на 100 аварийных срабатываний
Технические характеристики
| Параметр | Значение |
|---|---|
| Нагрузка (AC-1) | до 5 А |
| Максимальная мощность | до 1000 В·А |
| Диапазон напряжения (нижний / верхний порог) | 120–210 В / 220–280 В |
| Перекос фаз (настройка) | 10–80 В |
| Задержка повторного включения | 3–600 с |
| Питание реле | 100–420 В |
| Сечение подключаемого провода | до 2,5 мм² |
| Монтаж | 3 модуля на DIN-рейку 35 мм |
| Степень защиты корпуса | IP20 |
Монтаж и подключение
-
Для работы обязательно наличие нулевого проводника (N)
-
Коммутация трёхфазной нагрузки выполняется через контактор (в комплект не входит)
-
Устанавливается в щиток на DIN-рейку шириной 35 мм
-
Монтаж — после автоматического выключателя и перед УЗО
-
Применяется только внутри помещений
Гарантия
Официальная гарантия производителя — 60 месяцев.
Основные характеристики ZUBR 3F - Трехфазное реле контроля напряжения + асиметрия 5 А, 100-420 В АС, + Термозащита, ZUBR
Отзывы о ZUBR 3F - Трехфазное реле контроля напряжения + асиметрия 5 А, 100-420 В АС, + Термозащита, ZUBR
Нет отзывов о данном товаре.
Вопросы и ответы (FAQ) ZUBR 3F - Трехфазное реле контроля напряжения + асиметрия 5 А, 100-420 В АС, + Термозащита, ZUBR
