Описание ZUBR V3 – Трехфазный вольтметр 100-420 В AC, ZUBR
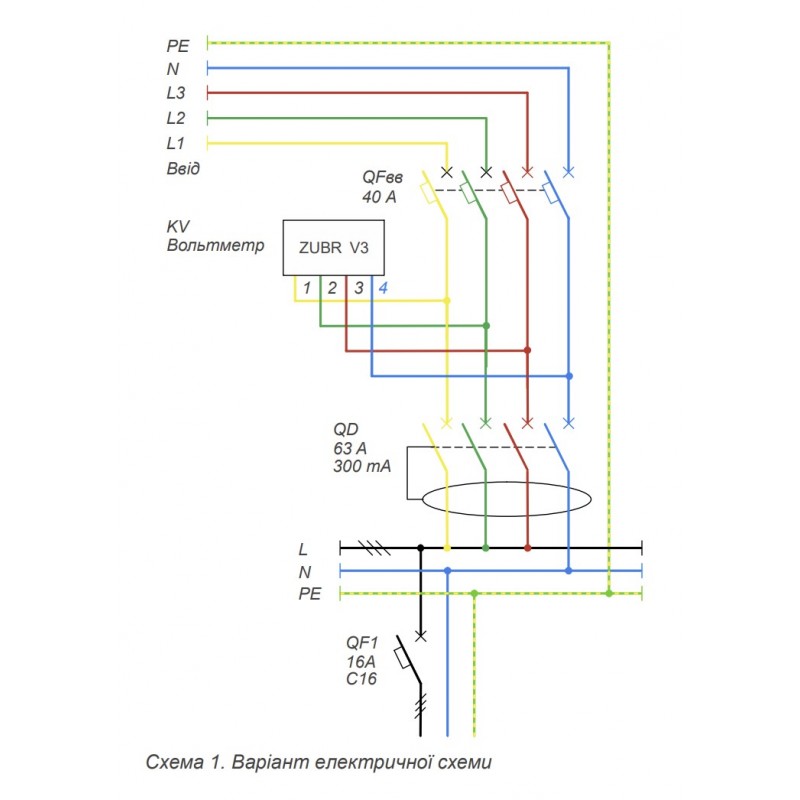
ZUBR V3 — профессиональный цифровой вольтметр для трёхфазных сетей 230/380 В, который позволяет постоянно отслеживать напряжение на всех фазах и контролировать качество электроснабжения. Устройство оснащено энергонезависимой памятью, сохраняющей критические показатели напряжения даже при отключении питания.
Основные преимущества
-
Постоянный мониторинг напряжения
Отображение значений для всех трёх фаз на цифровом экране в реальном времени. -
Контроль фаз
Обнаруживает залипание фаз и нарушение последовательности фаз, предотвращая аварии оборудования. -
Энергонезависимая память
Сохраняет максимальные и минимальные значения напряжения с момента последнего сброса. -
Энергоэффективность
Оснащён импульсным блоком питания, который снижает собственное потребление энергии. -
Возможность калибровки
Пользователь может корректировать показания под контрольный прибор для более точной индикации. -
Безопасный корпус
Выполнен из негорючего поликарбоната. -
Простой монтаж
Устанавливается на DIN-рейку 35 мм в распределительном щите.
Технические характеристики
| Параметр | Значение |
|---|---|
| Количество фаз | 3 ф. (230/380 В) |
| Напряжение питания | 100–420 В |
| True RMS | Да |
| Монтаж | DIN-рейка 35 мм |
| Сечение провода | до 16 мм² |
| Степень защиты | IP20 |
| Габариты (Ш×В×Г) | 52 × 90 × 67 мм |
| Масса | 0,14 кг ±10 % |
Гарантия
5 лет с момента продажи при соблюдении условий эксплуатации.
Основные характеристики ZUBR V3 – Трехфазный вольтметр 100-420 В AC, ZUBR
Отзывы о ZUBR V3 – Трехфазный вольтметр 100-420 В AC, ZUBR
Нет отзывов о данном товаре.
Вопросы и ответы (FAQ) ZUBR V3 – Трехфазный вольтметр 100-420 В AC, ZUBR
